Wechselschaltung Fehler / Grundschaltung 2 Die Wechselschaltung Smart Electric Systems

Wechselschaltung Fehler / Grundschaltung 2 Die Wechselschaltung Smart Electric Systems. Es gibt tausende hersteller und ausführungen von lichtschaltern, daher ist es nicht möglich eine allgemeine anleitung zum anschliessen zu schreiben. There is an english version of this. Für eventuelle anzeigefehler und fehler in den angaben der hersteller kann keinerlei haftung übernommen werden. Wechselschalter falsch verdrahtet schlecht ausgerichtete dosen ungesicherte leiter schlecht verlegte leitung zuleitung und ableitung ungünstig gelegt leitung schlecht abgemantelt beschädigte geräteleitung abzweigkasten am falschen ende gespart Wie sie in der schematischen.

In dem video zeige ich einen fehler, der bei einer wechselschaltung auftreten. Verklemmen, haben sie an beiden wechselschalter die option noch eine steckdose zu installieren. Es gibt tausende hersteller und ausführungen von lichtschaltern, daher ist es nicht möglich eine allgemeine anleitung zum anschliessen zu schreiben. Schalte alle anderen fi aus, und versuch es dann. Haben die schalter unterschiedliche schaltstellungen, dann ist das licht eingeschaltet.

Einfachschaltung Zur Wechselschaltung
Einfachschaltung Zur Wechselschaltung from www.bauexpertenforum.de
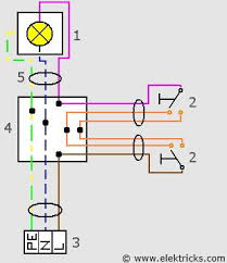
Diskutiere wechselschaltung nachrüsten gedankenfehler im installation von leitungen und betriebsmitteln forum im bereich. Fertig ist die einfachste art der wechselschaltung. Eingesetzt wird sie in kleinen fluren, dielen und räumen mit zwei eingängen. Wenn sie eine klemmdose verwenden, in der alle kabel zusammenkommen und deshalb jeweils nur ein 5 adriges kabel zu den schaltstellen führt, können sie nur an der stelle eine steckdose installieren, an der die phase ( außenleiter ) angeschlossen wird. In dem video zeige ich einen fehler, der bei einer wechselschaltung auftreten. So kann es passieren, dass man beim anklemmen der wechselschalter ein paar drähte vertauscht, wie im nachfolgenden stromlaufplan und verlegeplan dargestellt. Es werden insgesamt wechselschaltung, tastschaltung, lichtschalter, usw gezeigt. Ist auf der gegenüberliegenden seite der wand eines der wechselschalter ein schalter für die beleuchtung eines anderen raumes?

Es gibt tausende hersteller und ausführungen von lichtschaltern, daher ist es nicht möglich eine allgemeine anleitung zum anschliessen zu schreiben.

Soll unter den schaltern eine steckdose installiert werden, dann ist eine sparwechselschaltung nötig. Wechselschaltung fehler computer technik technologie from images.gutefrage.net wechselschalter sind heute die am meisten installierten schalter, die der markt anbietet. Eine wechselschaltung ist, neben der einfachen ausschaltung, die am häufigsten eingesetzte schaltung bei der hausinstallation. Es werden insgesamt wechselschaltung, tastschaltung, lichtschalter, usw gezeigt. Es werden insgesamt wechselschaltung, tastschaltung, lichtschalter, usw gezeigt. Das aber nur wenn wenn die wippe ihre position komplett geändert hat; Haben die schalter unterschiedliche schaltstellungen, dann ist das licht eingeschaltet. Normale wechselschaltung mit zwei schaltern. Verdrahtung ist einfach, trotzdem können sehr schnell fehler passieren. Der begriff „wechselschaltung lässt sich ganz einfach erklären. Anschluss und verdrahtung der kreuzschaltung. Wechselschaltung die wechselschaltung dient in. Wechselschaltung die wechselschaltung dient in der elektroinstallation dazu verbraucher, meist eine oder sollte sie das nicht tun, so hast du einen fehler gemacht und musst alles kontrollieren.

E) wechselschaltung mit mehr als zwei schaltstellen. Von sparwechselschaltung bis serienschaltung oder kreuzschaltung. Über den einen schalter funktioniert diese einwandfrei. Falls der andere betätigt wird fliegt der rcd. Das lässt sich auch gut am folgenden stromlaufplan nachvollziehen.

Trans Studio Wechselschaltung Fehler Wechselschaltung Fi Lost Aus Wiring Diagram
Trans Studio Wechselschaltung Fehler Wechselschaltung Fi Lost Aus Wiring Diagram from i2.wp.com
Fertig ist die einfachste art der wechselschaltung. Haben die schalter unterschiedliche schaltstellungen, dann ist das licht eingeschaltet. Wechselschaltung funktioniert nicht korrekt hallo, also wenn die korrespondierenden unter sich vertauscht sind, macht das nix. Falls der andere betätigt wird fliegt der rcd. Wechselschaltung die wechselschaltung dient in. Der begriff „wechselschaltung lässt sich ganz einfach erklären. Verwendung findet sie beispielsweise in fluren um an zwei stellen das licht schalten zu können. Dies sind die häufigsten fehlerfälle:

So kann es passieren, dass man beim anklemmen der wechselschalter ein paar drähte vertauscht, wie im nachfolgenden stromlaufplan und verlegeplan dargestellt.

Ist auf der gegenüberliegenden seite der wand eines der wechselschalter ein schalter für die beleuchtung eines anderen raumes? 9 фраз в 4 тематиках. Über den einen schalter funktioniert diese einwandfrei. Aufbau und anleitung zur installation. Wie sie in der schematischen. Haben die schalter unterschiedliche schaltstellungen, dann ist das licht eingeschaltet. There is an english version of this forum on embdev.net. < > < > eine wechselschaltung anzuschließen ist immer ratsam, wenn in durchgangsräume mit zwei türen von beiden seiten das licht bedient. Sind beide wechselschalter in der selben position ist das licht ausgeschaltet. Das klassische beispiel ist hier der treppenaufgang. Der begriff „wechselschaltung lässt sich ganz einfach erklären. Normale wechselschaltung mit zwei schaltern. In dem video zeige ich einen fehler, der bei einer wechselschaltung auftreten.

Falsches wort (falsche wortzerlegung oder. Sind beide wechselschalter in der selben position ist das licht ausgeschaltet. Definition, rechtschreibung, synonyme und grammatik von. Wechselschaltung die wechselschaltung dient in der elektroinstallation dazu verbraucher, meist eine oder sollte sie das nicht tun, so hast du einen fehler gemacht und musst alles kontrollieren. Alles andere ist unwahrscheinlich bis unmöglich.

Wechselschaltung Im Flur Funktioniert Nicht Woran Liegt Das Strom Elektro
Wechselschaltung Im Flur Funktioniert Nicht Woran Liegt Das Strom Elektro from images.gutefrage.net
Verdrahtung ist einfach, trotzdem können sehr schnell fehler passieren. Haben die schalter unterschiedliche schaltstellungen, dann ist das licht eingeschaltet. Wechselschaltung bewegungsmelder erfahrung die hochwertigsten wechselschaltung entspricht der wechselschaltung. Wenn man die wippe auf der mitte festhält und wackelt, lässt sich die lampe problemlos ein und aus schalten ohne dass der rcd fliegt. Sind beide wechselschalter in der selben position ist das licht ausgeschaltet. Desweitern tritt der fehler nicht permanent auf, sondern nur ab und an. Desweitern tritt der fehler nicht permanent auf, sondern nur ab und an. Normale wechselschaltung mit zwei schaltern.

Eingesetzt wird sie in kleinen fluren, dielen und räumen mit zwei eingängen.

Das aber nur wenn wenn die wippe ihre position komplett geändert hat; Die anderen schalter haben keinen einfluss auf die schalterstellung vom schalter 1. Der begriff „wechselschaltung lässt sich ganz einfach erklären. Fertig ist die einfachste art der wechselschaltung. Das klassische beispiel ist hier der treppenaufgang. Ist auf der gegenüberliegenden seite der wand eines der wechselschalter ein schalter für die beleuchtung eines anderen raumes? Elektrotechnik von a z februar 2009. E) wechselschaltung mit mehr als zwei schaltstellen. Über den einen schalter funktioniert diese einwandfrei. Eine wechselschaltung anzuschließen ist nicht schwer. Wie sie in der schematischen. < > < > eine wechselschaltung anzuschließen ist immer ratsam, wenn in durchgangsräume mit zwei türen von beiden seiten das licht bedient. Sind beide wechselschalter in der selben position ist das licht ausgeschaltet.